Phase 2 2021/22
Abschlussbedingungen
In diesem Buch sind die Teamergebnisse der FST21 in Phase 2 dokumentiert.
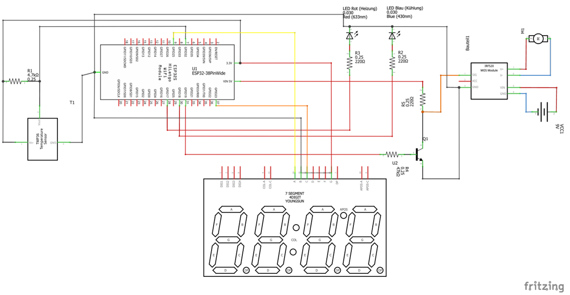
Schaltbild:

Breadboardlayout:
