Zweipuls-Brücken-Schaltung (B2U)
Die ungesteuerte Zweipuls-Brücken-Schaltung (B2U) bzw. der Brückengleichrichter "klappt" die negative Halbwelle eines Wechselstroms nach oben. Diese Gleichrichtung hat nahezu den gleichen Scheitelwert wie die Eingangsspannung. Diese Schaltung erzeugt eine pulsierende Gleichspannung mit kurzen Zeitpunkten, an denen die Spannung null ist (siehe Bild 2).
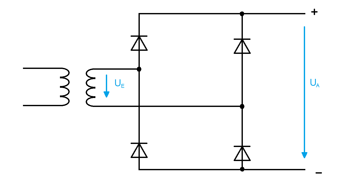
Hierfür werden vier Dioden verwendet (siehe Bild 1), die Schaltung wird auch Graetz-Schaltung oder Graetzsche Brückenschaltung genannt. Diese ist immer noch vergleichsweise einfach und findet zum Beispiel in Netzteilen Anwendung.
![]() |
![]() |
| Bild 1: Schaltung des B2U-Gleichrichters | Bild 2: Eingangs UE- und Ausgangsspannung UA am B2U-Gleichrichter |
Nachfolgend wird gezeigt, wie die Stromflüsse an der B2U oder Graetzschen Brückenschaltung das "Hochklappen" der negativen Halbwelle des Eingangssignals bewirken, also wie man von UE zu UA kommt.
Animation 1: Hier liegt der positive Pol oben und der negative Pol unten. Somit lassen die Dioden D1 und D2 den Strom durch und der Stromkreis ist geschlossen. In diesem Zustand erfolgt kein Stromfluss durch die Dioden D3 und D4, da sie in Sperrrichtung geschaltet sind.
Animation 2: Nun befindet sich der positive Pol unten und der negative Pol oben. Somit lassen nun die Dioden D1 und D2 keinen Stromfluss zu, da diese sich nun in Sperrrichtung befinden. Daher erfolgt der Stromfluss nun über die Dioden D3 und D4, da sie den Strom durchlassen.
Animation 3: Der Graph neben der Animation der Schaltung zeigt die sinusförmige Kurve der Wechselspannung, welche die Eingangsspannung ist. Man kann erkennen, dass die Amplitude der Eingangsspannung im positiven und negativen Spannungsbereich liegt.
Animation 4: Der Graph für die Dioden D1 und D2 zeigt, dass es nur eine positive Amplitude gibt und der Graph nicht in den negativen Spannungsbereich geht. Der Spannung ist zu den Zeitpunkten null, an denen die Amplitude der Eingangsspannung im negativen Bereich ist und somit die Dioden den Strom nicht durchlassen (da sie in Sperrrichtung sind).
Animation 5: Der Graph für die Dioden D3 und D4 zeigt, dass es nur eine positive Amplitude gibt und der Graph nicht in den negativen Spannungsbereich geht. Der Spannung ist zu den Zeitpunkten null, an denen die Amplitude der Eingangsspannung im positiven Bereich ist und somit die Dioden den Strom nicht durchlassen (da sie in Sperrrichtung sind).
Animation 6: An dem Graphen der Glühlampe kann man erkennen, dass dort ein gleichgerichtetes Halbwellensignal und keine sinusförmige Wechselspannung ankommt.

