Sechspuls-Brücken-Schaltung (B6U)
Abschlussbedingungen
Die ungesteuerte Sechspuls-Brücken-Schaltung (B6U) bzw. der Sechspulsgleichrichter ist eine Schaltung zur Erzeugung einer Gleichspannung mithilfe eines Drehstromnetzes. Er ist aufgrund seiner relativ simplen Schaltung die gebräuchlichste Form des Dreiphasengleichrichters.
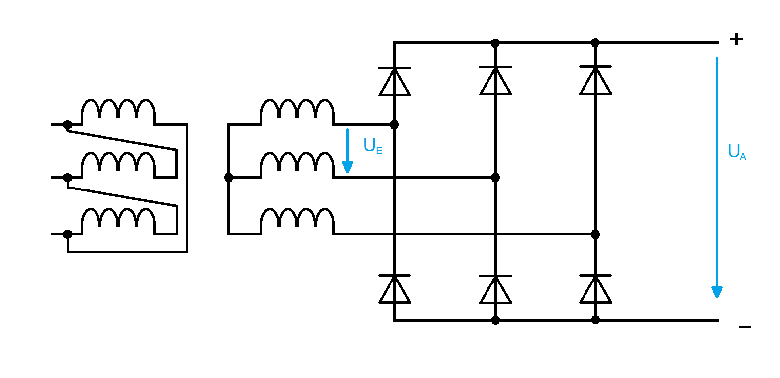
Benötigt werden hierbei sechs Dioden (siehe Bild 1). Die gleichgerichtete Ausgangsspannung zeigt während einer Netzperiode sechs Pulse und liegt konstant oberhalb von 0 V (siehe Bild 2), wodurch die Gleichrichtung besser ist als bei den Gleichrichtertypen, die nur eine einphasige Wechselspannung verwenden (z.B. Einpuls-Mittelpunkt-Schaltung (M1U) oder Zweipuls-Brücken-Schaltung (B2U)).
![]() |
![]() |
| Bild 1: Schaltung des B6U-Gleichrichters | Bild 2: Eingangs- und Ausgangsspannung am B6U-Gleichrichter |
Zuletzt geändert: Montag, 29. Januar 2018, 11:32

