Sechspuls-Brücken-Schaltung (B6C)
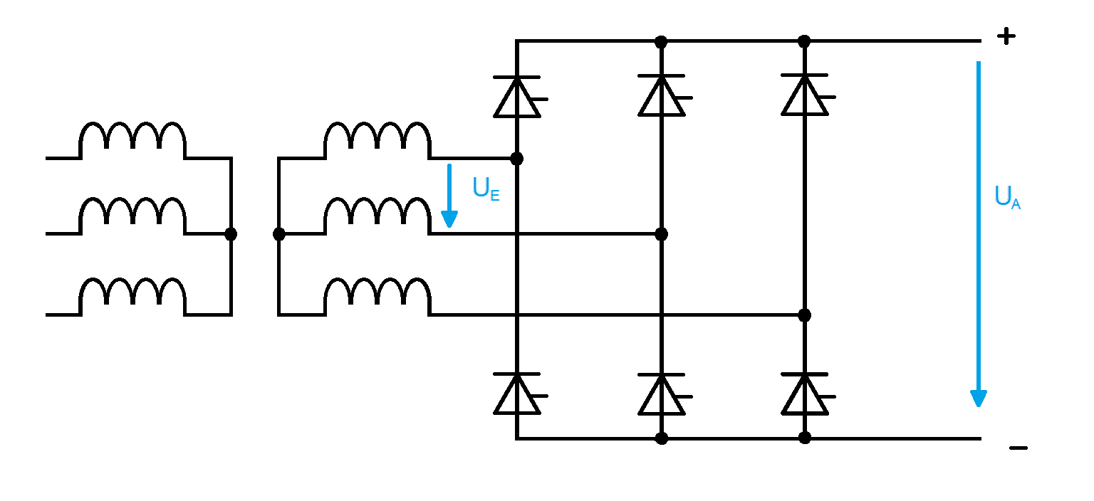
Die gesteuerte (engl. "controlled") Sechspuls-Brücken-Schaltung (B6C) ist ähnlich aufgebaut wie die Sechspuls-Brücken-Schaltung (B6U). Anstelle von (ungesteuerten) Dioden werden steuerbare Thyristoren verwendet (siehe Bild 1). Diese können mithilfe einer Ansteuerschaltung "gezündet" werden und lassen dann bis zum nächsten Nulldurchgang der jeweiligen Phase einen Strom fließen. Dadurch lassen sich verschiedene Zündwinkel einstellen, die über die Höhe der Spannung entscheiden (siehe Bild 2).
Diese Eigenschaft macht den B6C-Gleichrichter flexibler als den ungesteuerten B6U-Gleichrichter, allerdings sorgt die Ansteuerschaltung dafür, dass er wesentlich teurer und aufwendiger ist.
![]() |
![]() |
| Bild 1: Schaltung des B6C-Gleichrichters |
Bild 2: Eingangs- und Ausgangsspannung am B6C-Gleichrichter |

