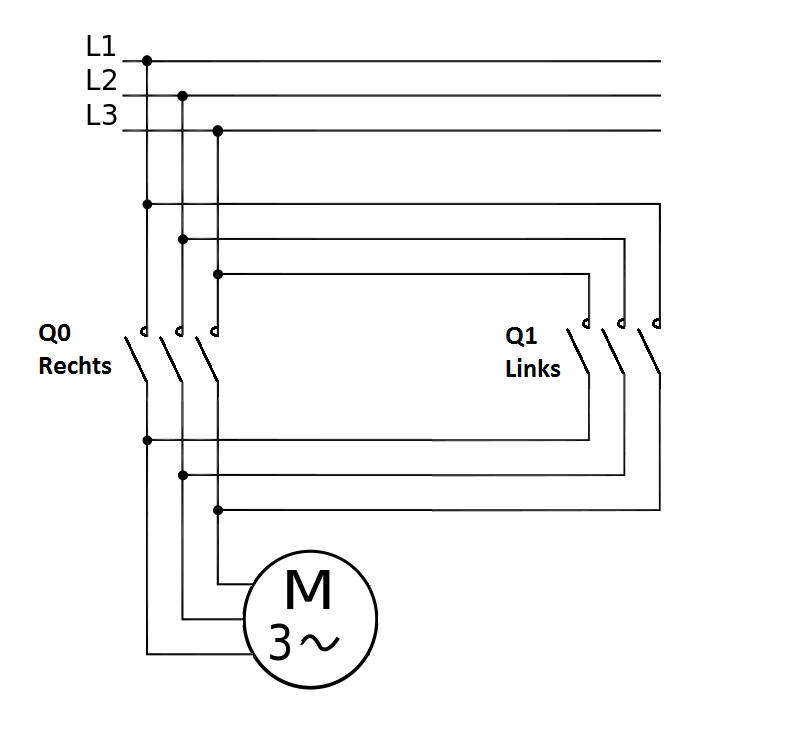
WendeschützschaltungBeim Betrieb eines Motors kann es sinnvoll sein, diesen in beide Richtungen betreiben zu können. Um die Drehrichtung eines Motors umzukehren, muss eine Phase vertauscht werden. Verwendet man ein zweites Leistungsschütz, kann an diesem eine Phase vertauscht werden, sodass die Drehrichtung sich umkehrt. Für eine Wendeschützschaltung werden also zwei Leistungsschütze pro Motor benötigt.

Es muss dabei auf jeden Fall darauf geachtet werden, dass nie beide Schütze gleichzeitig anziehen, da ansonsten die Motorphasen kurzgeschlossen werden. Dadurch lösen vorgeschaltete Sicherungseinrichtungen aus. Indem an den Schützspulen ein Öffnerkontakt des jeweils anderen Schützes angebracht wird.

Die Ansteuerschaltung (hier nichts gezeigt) für eine solche Schaltung kann in SPS oder VPS realisiert werden. In der rechts angezeigten Schaltung für den Hauptstromkreis fehlen noch Schutzeinrichtungen wie Motorschutzschalter, Leitungsschutzschalter oder Fehlerstrom-Schutzschalter, die den Motor vor Überlast und Kurzschlüssen schützen.

Last modified: Thursday, 20 June 2013, 1:16 PM