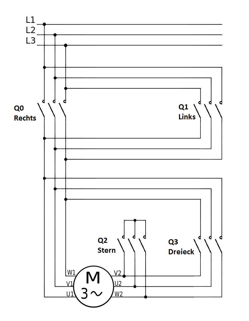
Die Stern-Dreieck-Wendeschützschaltung ist eine erweiterte Wendeschützschaltung, bei der eine automatische Umschaltung von Sternschaltung in Dreieckschaltung erfolgt. Für den Anlauf ist es sinnvoll, den Motor in Sternschaltung zu betreiben, damit der Anlaufstrom nicht zu sehr steigt. Sobald der Motor seine Nenndrehzahl erreicht hat, kann er dann im Dreieck betrieben werden, damit die abgegebene Leistung erhöht werden kann.

Die Ansteuerschaltung (hier nicht gezeigt) muss ermöglichen, dass entweder nach einer gewissen Zeit oder nach Erreichen einer gewissen Drehzahl von Stern (Schütz Q2) in Dreieck (Schütz Q3) umgeschaltet wird. Dies kann mittels einer SPS oder VPS realisiert werden. In der rechts angezeigten Schaltung für den Hauptstromkreis fehlen noch Schutzeinrichtungen wie Motorschutzschalter, Leitungsschutzschalter oder Fehlerstrom-Schutzschalter, die den Motor vor Überlast und Kurzschlüssen schützen.

Weitere Informationen zu den Schaltungsarten Stern und Dreieck von Drehstrommotoren können im Thema Stern-/ Dreieck-Schaltung nachgelesen werden.

Zuletzt geändert: Donnerstag, 20. Juni 2013, 13:41