LED mit Taster an den ESP32 anschließen
Als nächstes wollen wir eine LED per Taster über ein kleines Programm auf dem ESP32 ansteuern. Dazu bauen wir im ersten Schritt die Schaltung auf und programmieren im nächsten Schritt die Ansteuerung über den ESP32-Mikrocontroller.

Abbildung: Materialien für die Aufgabe
Quelle: BBS2 Wolfsburg
Zum Aufbau der Schaltung benötigen wir Folgendes:
- ESP32-Mikrocontroller
- grüne LED
- Breadboard
- Taster
- 220 Ω Widerstand (Berechnung des benötigten Widerstandes via Datenblatt der LED)
- 10 kΩ Widerstand (PullDown)
- einige Kabel und Jump Wire
Aufbau:


Abbildungen: LED mit Taster am ESP32 - Steckplatine
Quelle: BBS 2 Wolfsburg
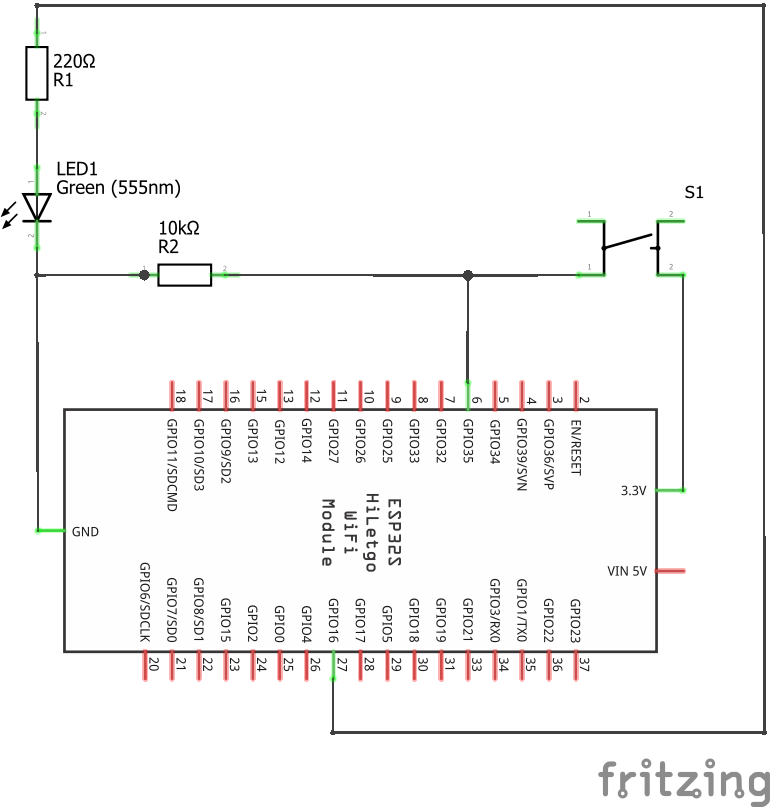
Schaltplan

Abbildung: LED mit Taster am ESP32 - Schaltplan
Quelle: BBS2 Wolfsburg
Aufgabe:
- Die Kathode der LED (-) mit dem GND über das Breadboard verbinden.
- Den 220 Ω Widerstand an der Anode der LED (+) anschliessen.
- Die andere Seite des 220 Ω Widerstands am Pin 16 (Ausgang) des ESP32 anschliessen.
- Die 3,3 V an einer Seite des Tasters anschliessen.
- Den Pin 35 (Eingang/Input) an der anderen Seite des Tasters anschließen. Wird der Taster betätigt, liegen am Eingang 3,3 V an.
- Der 10 kΩ Widerstand ist an GND (Masse) und ebenfalls am Pin 35 (Eingang) anzuschließen. Der Anschluss an den PIN 35 kann am Taster erfolgen.
Widerstände:
Es könnte ausreichen, die integrierten PullUp bzw. PullDown-Widerstände zu nutzen, jedoch ist ein 10 kΩ PullDown-Widerstand empfehlenswert, um ein eindeutiges Signal von 0 oder 1 am Pin 35 zu erhalten
Taster:
Der Taster hat 4 Anschlüsse. Jeweils 2 Anschlüsse auf einer Seite sind miteinander verbunden, deswegen ist es nicht egal, wie man den Taster auf das Breadboard steckt.
Anmerkung:
GPIO Pin 35 kann lediglich als Eingang genutzt werden, was jedoch bei einem Taster nicht von Relevanz ist, siehe Pinout.