Erstellung des Schaltplanes für den T1
Starten wir mit dem Temperatursensor. Dieser besitzt, wie wir bereits wissen, drei Anschlüsse, die wir alle verwenden werden. Auch wenn der Temperatursensor mit 3 V betrieben werden kann, wählen wir als Versorgungsspannung die 5 V des EPS32, um mit 3,3 V nicht zu nah an der unteren Spannungsgrenze zu liegen und den Sensor stets mit genügen Energie versorgen zu können. Als Datenpin wurde der GPIO32 gewählt. Welchen GPIO-Pin du wählst spielt dabei keine Rolle, wichtig ist nur, dass es ein GPIO-Pin ist, da dieser Pin aufgrund der Funktion des OneWire-Buses sowohl als Eingang als auch als Ausgang dienen muss. Achte dabei darauf, nicht die GPIO-Pins zu wählen, die mit dem Flash-Speicher des SPI-Bus zusammenhängen! Für welchen GND-Pin du dich entscheidest ist ganz dir überlassen. Dabei solltest du, genauso wie bei der Wahl des Datenpins, aber immer im Hinterkopf behalten wo du den ESP32 in den T1 integrieren willst und wie lang die Leitungen zwischen Pin und Bauteil dann werden. Abschließend muss noch der 5,1 kΩ Widerstand als Pull-Up-Widerstand zwischen den Versorgungsspannungs-Pin und den Datenpin geschaltet werden. Die untenstehende Grafik zeigt, wie der Temperatursensor angeschlossen wird.

Abbildung: Steckplatinen-Ansicht zum Anschluss des DS18B20
Quelle: BBS2 Wolfsburg
Da nun klar ist auf welchen Pins die LED angeschlossen werden soll, müssen noch Vorwiderstände berechnet werden. Diese dienen der Strom- und Spannungsbegrenzung, sodass die LED nicht durch einen übermäßig hohen Strom aufgrund zu großer über ihr abfallender Spannung zerstört wird oder schneller altert. Eigentlich ist der Stromfluss zum einen Abhängig von der Art der LED und auch von der Farbe, welche diese emittiert. Bei den hier verwendeten kleinen LEDs sind diese Unterschiede quasi nichtig, sodass der Betriebsstrom der roten, grünen und blauen LED mit 12 mA angenähert wird. Da uns für die LED leider kein Datenblatt vorliegt, müssen wir auf diese Art und Weise vorgehen und uns auf Erfahrungswerte (teilweise auch aus dem Internet) berufen. Mit einem Strom von 12 mA und einer für eine LED halbwegs typischen Durchlassspannung von 0,7 V ergibt sich über einen Spannungsteiler der folgende Vorwiderstand:
\( R_\mathrm{V}=\frac{U_\mathrm{Vcc}-U_\mathrm{LED}}{I}=\frac{3,3\,\mathrm{V}-0,7\,\mathrm{V}}{0,02\,\mathrm{A}}\approx217\,\Omega \)
Da Widerstände als Bauteile natürlich nicht in jeder beliebigen Größe existieren und eine Maßanfertigung sehr teuer ist, wird nach der Berechnung des geeigneten Vorwiderstandes auf den am nächsten liegenden Widerstand, aus einer der Widerstandsreihen zurückgegriffen. Wir schauen hier in die E24-Reihe und stellen fest, dass der werttechnisch am nächsten liegende Widerstand einen Wert von \(220\,\Omega\) besitzt. Nun muss nur noch ein solcher Widerstand in die Zuleitung von jeder der drei LEDs eingebaut werden.
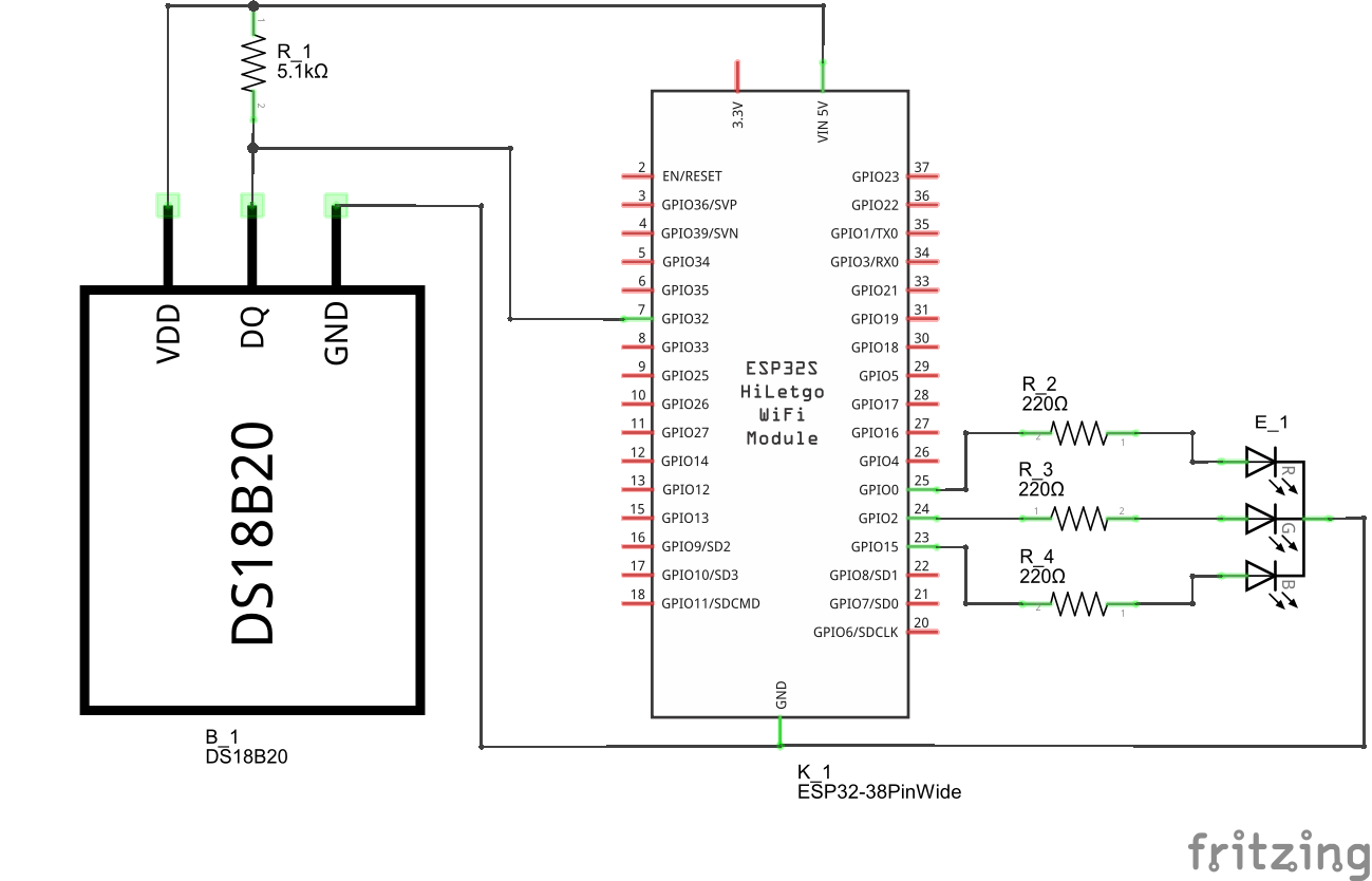
Der Schaltplan ist nun vollständig. Die untenstehenden Grafiken zeigen einmal die Steckplatinen-Ansicht und einmal den tatsächlichen Schaltplan.
Abbildung: Steckplatinen-Ansicht des gesamten Schaltkreises
Quelle: BBS2 Wolfsburg

Abbildung: Schaltplan des gesamten Schaltkreises
Quelle: BBS2 Wolfsburg
Bei der Auswahl der Leiterfarben haben wir uns für einen ganz simplen "Code" entschieden. Rot steht für Versorgungsspannungen, Weiß für Datenleitungen und Schwarz für GND-Anschlüsse. Die RGB-LED bildet in dieser Hinsicht allerdings eine Ausnahme, da sich beim Anschluss dieser dafür entschieden wurde, die Leitungen zu den einzelnen LEDs in Rot, Grün und Blau auszuführen, um immer einen Überblick zu haben zu welcher LED welche Leitung gehört. Der GND-Anschluss wurde aber dennoch in Schwarz ausgeführt.