Allgemeiner Aufbau
Druckerzeugung
Jede pneumatische Anlage verfügt einerseits über die Druckerzeugung. Dies beinhaltet natürlich den Kompressor selbst. Aber auch Anlagen zur Luftaufbereitung, wie z.B. die Trocknung/Filterung und zur Stabilisierung des Drucks, ggf. in Verbindung mit Behältern zur Speicherung.
Diese Anlagen sind meist zu einer sogenannten Wartungseinheit zusammengefasst.


Die hier dargestellte Wartungseinheit beinhaltet einen Filter mit Wasserabscheider, ein einstellbares Druckregelventil sowie ein Manometer zur Kontrolle des Drucks.
Druckluftverteilung
Bei der Verteilung der Druckluft kommt es vor allem auf ausreichende Rohrdurchmesser an, da diesen den Strömungswiderstand und damit den Energieverbrauch der Anlage entscheidend mitbestimmen. Zudem ist eine den Betriebsvorschriften angepasste Wahl
der Betriebsmittel zu treffen um die Sicherheit der Anlage zu gewähr
leisten.
Leckagen stellen in der Regel zwar keine unmittelbare Gefährdung dar, sollten aber dennoch gewissenhaft repariert werden um die Wirtschaftlichkeit der Anlage aufrecht zu erhalten.
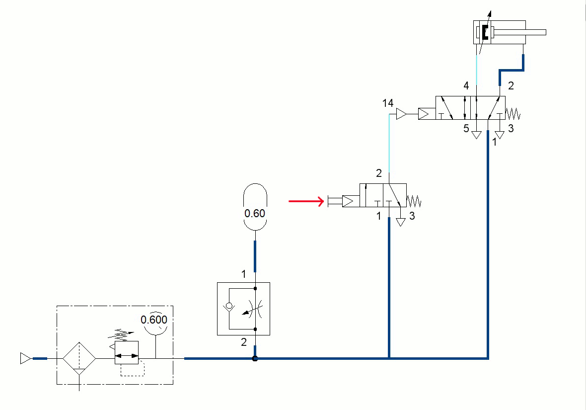
Grundprinzip der Steuerung
Das Grundlegende Prinzip einer pneumatischen Anlage ist die Aufteilung in Steuerung (ggf. über SPS) und die Aktuatoren, die die gewünschte Tätigkeit verrichten. Hierfür wird meist ein Steuerventil das die Befehle entgegennimmt und darauffolgend ein Arbeitsventil, das auf den jeweiligen Aktor angepasst ist verwendet.
Ein einfaches Beispiel ist die Nachfolgende Animation.

Hier ist gut zu erkennen wie manuell das Steuerventil in der mittleren Ebene betätigt wird und dieses in der oberen Ebene das auf den Zylinder angepasste 5/2-Wege - Arbeitsventil auslöst, welches letztendlich den Zylinder bewegt.