Benennung der Bauteile
Abschlussbedingungen
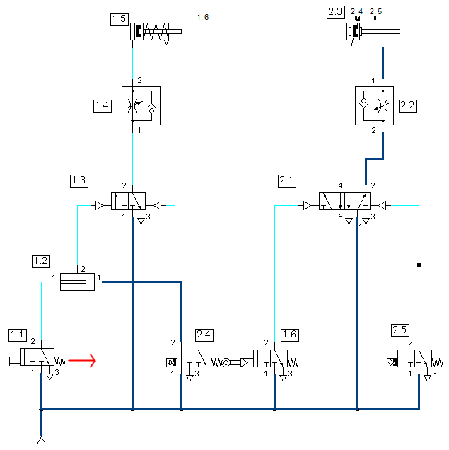
Benennung nach ISO1219-2
Seit September 2012 werden pneumatische Elemente durch eine Nummer die den zugehörigen Schaltkreis wiederspiegeln und eine Nummer für das Bauteil gekennzeichnet.
Die beiden Nummern werden durch einen Punkt getrennt und sind von einem rechteckigen Kasten umgeben.
Beispiel:

Altes System
Vor dem September 2012 setzte sich die Kennzeichnung i.d.R. aus der Nummer des zugehörigen Kreises, einem Buchstaben der die Funktion deutlich macht, und einer Nummer zusammen.
Die Buchstaben spiegelten die Funktion des Bauteils wieder:
Zuletzt geändert: Mittwoch, 4. März 2020, 10:01