Erstellen eines pneumatischen Schaltplans
Abschlussbedingungen
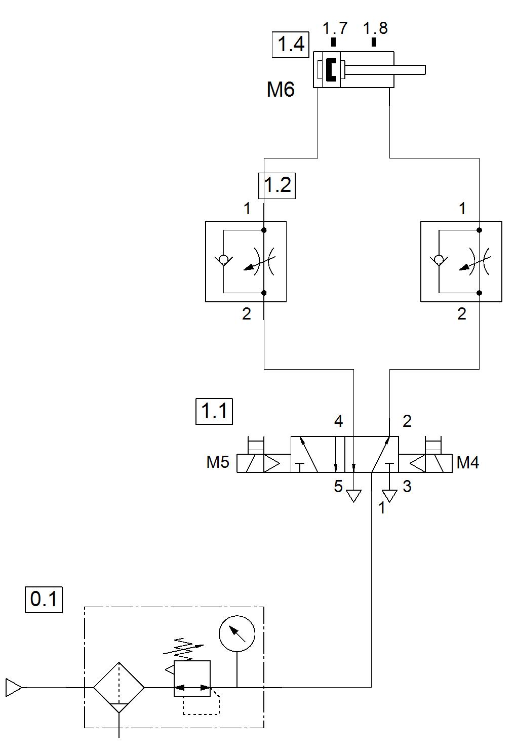
Im Folgenden wird ein Schaltplan erstellt um die Anlage besser erfassen und planen zu können.
Zunächst wird der pneumatische Teil gezeichnet: Zunächst wird der pneumatische Teil gezeichnet:
Hervorzuheben sind die Näherungssensoren B7 und B8, die die Positionen des Zylinders bestimmen.
M6 ist der Name der gesamten Positionsbestimmungsanlage.
Die beiden Drosselrückschlageventile 1V2 und 1V3 begrenzen den Luftstrom aus den Zylinderkammern hinaus.
Das 5/2-Wegeventil versorgt den Zylinder und wird durch die Magnete M5 und M4 versorgt.
Zuletzt geändert: Mittwoch, 4. März 2020, 10:12