Logikfunktionen mit Schützen zu realisieren war bis zum Aufkommen der speicherprogrammierbaren Steuerungen die einzige Möglichkeit elektrische Steuerungen aufzubauen. Dies änderte sich mit dem rasanten Fortschreiten der Halbleitertechnologie, welcher die modernen speicherprogrammierbaren Steuerungen, die wir heute zur Verfügung haben, ermöglichte.

Jede der logischen Grundfunktionen einer SPS lässt sich, wenn auch zum Teil aufwändig, mit Schützen realisieren. Den geringsten Schaltungsaufwand verursachen die Funktionen UND und ODER.

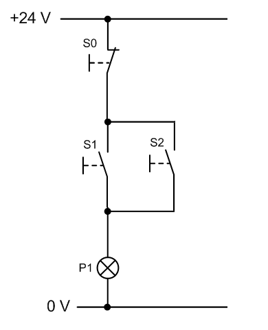
VPS RS-GliedSoll mit Hilfe der verbindungsprogrammierten Steuerung(VPS) ein Flipflop (ein Speicherbaustein für 1Bit, siehe links) realisiert werden, so ist der Schaltungsaufwand dafür enorm, ebenso wie der Raumbedarf und die Kosten, vor allem wenn man dies in Relation mit einer Flash-Speicherkarte setzt. Diese speichert auf der Fläche eines Daumennagels bis zu 274877906944 Bit (32GB)!

Die VPS gelangt also bei komplexen Steuerungsaufgaben an die Grenzen des Machbaren. Darüberhinaus ist der Wartungsaufwand enorm, da es keine komfortable Fehlererkennungssoftware gibt sondern bereits ein Drahtbruch in einer Steuerleitung dazu führen kann, dass eine Schaltung, welche einen deckenhohen Schaltschrank füllt, nicht mehr oder nur noch teilweise arbeitet. Des weiteren bieten sie im Vergleich zu einer SPS nur sehr begrenzte Flexibilität, da eine VPS zwar in einem gewissen Maße umverdrahtet werden kann, dies ist aber nicht so einfach möglich wie die Neuprogrammierung einer SPS.

Typische Funktionen, die auch heute sehr häufig als VPS ausgeführt werden, sind sicherheitsrelevante Funktionen wie NOT-AUS-Kreise oder Schutzgitter. Ebenso wie derart simple Steuerungen, die den Einsatz einer SPS nicht rechtfertigen, da sie mit wenigen Schützen zu realisieren sind.

Logikschaltungen können auch mittels einer SPS realisiert werden. Wie die rechts gezeigte Schaltung dann aussieht, lässt sich im Abschnitt Speicherprogrammierbare Steuerung (SPS) sehen.

Zuletzt geändert: Freitag, 14. Juni 2013, 10:27